UnifapUF3.446Polia rígida do alternador Valeo NRG7S Renault Clio Kwid Logan Mégane Sandero Scénic

Descrição

Polia rígida nova.

A polia é a responsável por transmitir a energia mecânica para os componentes do alternador, que transformam o movimento em energia elétrica.

Informações Técnicas

Número de canais 4 canais
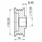
Diâmetro externo 58.00 mm
Diâmetro do eixo 17.00 mm
Largura da chaveta Sem chaveta
Altura total dos canais 14.00 mm
Altura total 24.50 mm
Diâm. externo canais 52.00 mm

Informações do Produto

Marca fabricante Unifap
Fabricante original Valeo
Conteúdo da embalagem

1 (uma) polia nova

Linhas de Aplicação

Marcas e veículos em que este produto é aplicável.

Renault (carros) Clio
Kwid
Logan
Mégane
Sandero
Scénic

Códigos Equivalentes

Códigos originais deste produto por outras fabricantes.

Unifap UF3446